详细说明:
护舷 护舷( fender)又称船的护木,是码头或船舶边缘使用的一种弹性缓冲装置,有木制的、橡胶的。主要用以减缓船舶与码头或船舶之间在靠岸或系泊过程中的冲击力,防止或消除船舶、码头受损坏。
橡胶护舷各种类型及特点简介
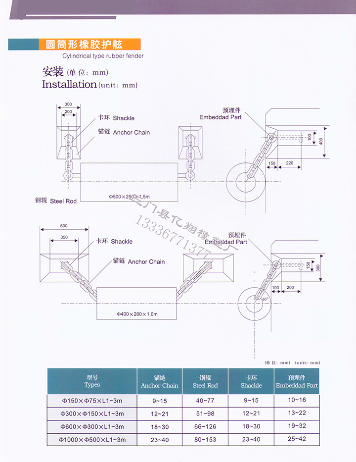
1) 圆筒型橡胶护舷:
特点 反力低,面压小,吸能量合理; 在靠泊时,对船舶横摇和纵摇适应性强 不受船舶大小影响,用途广 安装维修方便,特别适于老式码头。
2)半圆型(D型)橡胶护舷:
特点 反力适中,吸能量较圆筒型高; 安装较方便工作; 由于底部宽度尺寸小,特别适用于框架式码头和船舷安装使用。
3)DO型橡胶护舷:
特点 反力吸能比D型护舷高; 安装强度及使用寿命比D型护舷有很大提高; 适用于框架式码头。
拱型(V型)橡胶护舷:特点 反力适中,吸能量高; 安装牢固,方便;
适用于各类码头。
4)DA型橡胶护舷:
特点 具有吸能量高和反力低的特点; 制品具有更高的应力分散性,使用寿命长; 前端设置防卫板可降低面压; 规格齐全安装方式多样;更换方便.
5)鼓型橡胶护舷:
特点 反力低,吸能量大; 面压在25吨/米2以下; 倾斜压缩力学性能降低小;∏型橡胶护舷:特点 反力低,吸能量大; 安装方便; 一般适合于大中型码头。


[返回]